EL MAYOR CATÁLOGO DE PRODUCTOS INDUSTRIALES DEL MERCADO

Solicitud de Presupuesto

No hay productos añadidos a la solicitud de presupuesto

Catálogo

Imagen 1 de 215-2Z
Imagen 2 de 215-2Z
Imagen 3 de 215-2Z
Imagen 4 de 215-2Z
Imagen 1 de 215-2Z-filter
Imagen 2 de 215-2Z-filter
Imagen 3 de 215-2Z-filter
Imagen 4 de 215-2Z-filter

215-2Z

Consultar precio

Rodamiento rígido de bolas con ranuras de llenado y sellado integral

MPN: 215-2Z Marca: SKF Categoría: Rodamientos Subcategoría: Rodamientos de bolas Familia: Rodamientos rígidos de bolas Subfamilia: Componente Genérico SKF
Los rodamientos rígidos de una hilera de bolas con ranuras de sellado y placas de protección en uno o ambos lados admiten más bolas que los rodamientos rígidos de bolas estándares. Tienen un diseño sencillo, pero versátil, y son robustos en su funcionamiento, y requieren poco mantenimiento. Pueden admitir cargas radiales y axiales en ambos sentidos. Tienen una mayor capacidad de carga radial que los rodamientos correspondientes sin ranuras de llenado, pero tienen una capacidad de carga axial limitada debido a las ranuras de llenado. El sellado integral puede prolongar significativamente la vida útil del rodamiento porque mantiene el lubricante en los rodamientos y los contaminantes fuera.
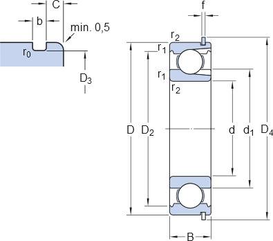
Ancho 25 mm
Cantidad de hileras 1.0
Capacidad de carga dinámica básica 72.1 kN
Capacidad de carga estática básica 72 kN
Característica de relubricación Sin
Carga límite de fatiga 3 kN
Código UNSPSC 31171504.0
Código eClass 23-05-08-01
Disposición ajustada No
Diámetro del agujero 75 mm
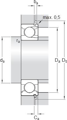
Diámetro del resalte del eje min. min.84 mm
Diámetro del resalte del soporte max. max.121 mm
Diámetro exterior 130 mm
Elemento de fijación, aro exterior del rodamiento Sin
Indicative carbon footprint for new product 4.6 kg CO2e
Jaula Chapa metálica
Lubricante Grasa
Material, rodamiento Acero para rodamientos
Peso neto del producto 1.28 kg
Recubrimiento Sin
Sellado Placa de protección en ambos lados
Tipo de sellado No rozante
Velocidad de referencia 9 000 r/min
Velocidad límite 4 300 r/min
Dimensión del chaflán min. min.1.5 mm
Factor de carga mínima 0.04
Juego radial interno CN
Tipo de agujero Cilíndrico
Diámetro del resalte ≈ ≈92.05 mm
Radio del eje o acuerdo del soporte max. max.1.5 mm
Ranuras de llenado Con
Diámetro del rebaje ≈ ≈116.5 mm
Nuestro equipo de expertos te ayuda en tu búsqueda

Te ayudamos a localizar exactamente lo que necesites, con precio y plazo de entrega y te lo enviamos a cualquier parte del mundo.