EL MAYOR CATÁLOGO DE PRODUCTOS INDUSTRIALES DEL MERCADO

Solicitud de Presupuesto

No hay productos añadidos a la solicitud de presupuesto

Catálogo

Imagen 1 de 6005-2ZNR
Imagen 2 de 6005-2ZNR
Imagen 3 de 6005-2ZNR
Imagen 4 de 6005-2ZNR
Imagen 1 de 6005-2ZNR-filter
Imagen 2 de 6005-2ZNR-filter
Imagen 3 de 6005-2ZNR-filter
Imagen 4 de 6005-2ZNR-filter

6005-2ZNR

Consultar precio

Rodamiento rígido de bolas con anillo elástico y sellado integral

MPN: 6005-2ZNR Marca: SKF Categoría: Rodamientos Subcategoría: Rodamientos de bolas Familia: Rodamientos rígidos de bolas Subfamilia: Componente Genérico SKF
El rodamiento rígido de una hilera de bolas con ranura para anillo elástico y sellos o placas de protección en uno o en ambos lados es especialmente versátil, tiene baja fricción y está optimizado para un bajo nivel de ruido y vibraciones, lo que permite alcanzar altas velocidades de giro. Soportan cargas radiales y axiales en ambos sentidos, son fáciles de montar y requieren menos mantenimiento que otros tipos de rodamientos. El anillo elástico, instalado en una ranura anular del aro exterior, facilita la fijación axial de los rodamientos dentro de sus soportes. El sellado integral puede prolongar significativamente la vida útil del rodamiento porque mantiene el lubricante en los rodamientos y los contaminantes fuera.
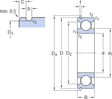
Ancho 12 mm
Cantidad de hileras 1.0
Capacidad de carga dinámica básica 11.9 kN
Capacidad de carga estática básica 6.55 kN
Característica de relubricación Sin
Carga límite de fatiga 0.275 kN
Clase de rendimiento SKF SKF Explorer
Código UNSPSC 31171504.0
Código eClass 23-05-08-01
Disposición ajustada No
Diámetro del agujero 25 mm
Diámetro del resalte del eje min. min.28.2 mm
Diámetro del resalte del soporte max. max.43.8 mm
Diámetro exterior 47 mm
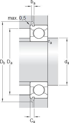
Elemento de fijación, aro exterior del rodamiento Anillo elástico (ajustado)
Factor de cálculo 14.3
Indicative carbon footprint for new product 0.3 kg CO2e
Jaula Chapa metálica
Lubricante Grasa
Material, rodamiento Acero para rodamientos
Peso neto del producto 0.0822 kg
Recubrimiento Sin
Sellado Placa de protección en ambos lados
Tipo de sellado No rozante
Velocidad de referencia 32 000 r/min
Velocidad límite 16 000 r/min
Dimensión del chaflán min. min.0.6 mm
Factor de carga mínima 0.03
Juego radial interno CN
Tipo de agujero Cilíndrico
Deviation limits of mid-range bore diameter -0.008 – 0 mm
Deviation limits of mid-range outside diameter -0.009 – 0 mm
Deviation limits of ring width -0.06 – 0 mm
Diámetro del resalte ≈ ≈32 mm
ISO tolerance class for dimensions P6 and tighter width tolerance
ISO tolerance class for geometrical tolerances P5
Radio del eje o acuerdo del soporte max. max.0.6 mm
Range of section height at inner ring of assembled bearing 4 µm
Range of section height at outer ring of assembled bearing 7 µm
Ranuras de llenado Sin
Maximum run-out of inner ring side face to the bore 8 µm
Perpendicularity of outer ring outside surface 4 µm
Diámetro del rebaje ≈ ≈42.2 mm
Ancho de ranura para anillo elástico 1.35 mm
Ancho del anillo elástico 1.12 mm
Ancho del rebaje del anillo elástico en el soporte min. min.1.5 mm
Anillo elástico SP 47
Distancia entre la cara lateral del aro exterior y la cara posterior para anillo elástico max. max.3.18 mm
Distancia entre la cara lateral del aro exterior y la ranura para anillo elástico 2.06 mm
Diámetro de ranura para anillo elástico 44.6 mm
Diámetro del rebaje del anillo elástico en el soporte min. min.54 mm
Diámetro exterior del anillo elástico 52.7 mm
Maximum axial run-out of inner ring of assembled bearing 8 µm
Maximum axial run-out of outer ring of assembled bearing 8 µm
Radio del fondo de ranura para anillo elástico max. max.0.4 mm
Nuestro equipo de expertos te ayuda en tu búsqueda

Te ayudamos a localizar exactamente lo que necesites, con precio y plazo de entrega y te lo enviamos a cualquier parte del mundo.