EL MAYOR CATÁLOGO DE PRODUCTOS INDUSTRIALES DEL MERCADO

Solicitud de Presupuesto

No hay productos añadidos a la solicitud de presupuesto

Catálogo

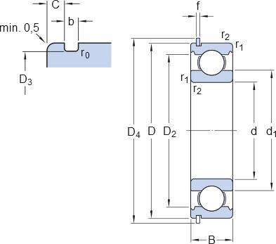
Imagen 1 de 6304-2Z/C3GJN
Imagen 2 de 6304-2Z/C3GJN
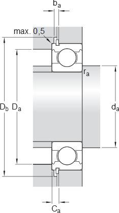
Imagen 1 de 6304-2Z/C3GJN-filter
Imagen 2 de 6304-2Z/C3GJN-filter

6304-2Z/C3GJN

Consultar precio

Rodamiento rígido de bolas con sellos o placas de protección

MPN: 6304-2Z/C3GJN Marca: SKF Categoría: Rodamientos Subcategoría: Rodamientos de bolas Familia: Rodamientos rígidos de bolas Subfamilia: Componente Genérico SKF
Los rodamientos rígidos de una hilera de bolas con sellos o placas de protección son especialmente versátiles, tienen baja fricción y están optimizados para un bajo nivel de ruido y vibraciones, lo que permite alcanzar altas velocidades de giro. Soportan cargas radiales y axiales en ambos sentidos, son fáciles de montar y requieren menos mantenimiento que muchos otros tipos de rodamientos. El sellado integral puede prolongar significativamente la vida útil del rodamiento porque mantiene el lubricante en los rodamientos y los contaminantes fuera.
Ancho 15 mm
Cantidad de hileras 1.0
Capacidad de carga dinámica básica 16.8 kN
Capacidad de carga estática básica 7.8 kN
Característica de relubricación Sin
Clase de rendimiento SKF SKF Explorer
Código UNSPSC 31171504.0
Código eClass 23-05-08-01
Disposición ajustada No
Diámetro del agujero 20 mm
Diámetro exterior 52 mm
Elemento de fijación, aro exterior del rodamiento Sin
Indicative carbon footprint for new product 0.53 kg CO2e
Jaula Chapa metálica
Lubricante Grasa
Material, rodamiento Acero para rodamientos
Peso neto del producto 0.146 kg
Recubrimiento Sin
Sellado Placa de protección en ambos lados
Tipo de sellado No rozante
Velocidad de referencia 30 000 r/min
Velocidad límite 15 000 r/min
Juego radial interno C3
Tipo de agujero Cilíndrico
Ranuras de llenado Sin
Nuestro equipo de expertos te ayuda en tu búsqueda

Te ayudamos a localizar exactamente lo que necesites, con precio y plazo de entrega y te lo enviamos a cualquier parte del mundo.