EL MAYOR CATÁLOGO DE PRODUCTOS INDUSTRIALES DEL MERCADO

Solicitud de Presupuesto

No hay productos añadidos a la solicitud de presupuesto

Catálogo

Imagen 1 de 6320/C3
Imagen 2 de 6320/C3
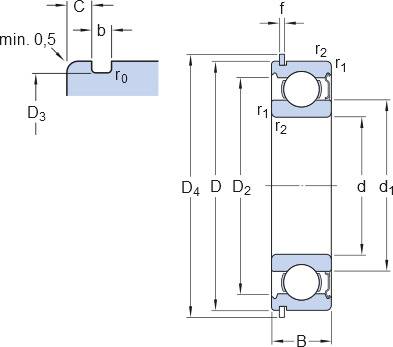
Imagen 1 de 6320/C3-filter
Imagen 2 de 6320/C3-filter

6320/C3

Consultar precio

Rodamiento rígido de bolas

MPN: 6320/C3 Marca: SKF Categoría: Rodamientos Subcategoría: Rodamientos de bolas Familia: Rodamientos rígidos de bolas Subfamilia: Componente Genérico SKF
Los rodamientos rígidos de una hilera de bolas son especialmente versátiles, tienen una baja fricción y están optimizados para un bajo nivel de ruido y vibraciones, lo que permite alcanzar altas velocidades de giro. Soportan cargas radiales y axiales en ambos sentidos, son fáciles de montar y requieren menos mantenimiento que muchos otros tipos de rodamientos.
Ancho 47 mm
Cantidad de hileras 1.0
Capacidad de carga dinámica básica 174 kN
Capacidad de carga estática básica 140 kN
Característica de relubricación Sin
Código UNSPSC 31171504.0
Código eClass 23-05-08-01
Disposición ajustada No
Diámetro del agujero 100 mm
Diámetro exterior 215 mm
Elemento de fijación, aro exterior del rodamiento Sin
Indicative carbon footprint for new product 25.1 kg CO2e
Jaula Chapa metálica
Lubricante Ninguna
Material, rodamiento Acero para rodamientos
Peso neto del producto 6.98 kg
Recubrimiento Sin
Sellado Sin
Velocidad de referencia 6 700 r/min
Velocidad límite 4 300 r/min
Juego radial interno C3
Tipo de agujero Cilíndrico
Ranuras de llenado Sin
Nuestro equipo de expertos te ayuda en tu búsqueda

Te ayudamos a localizar exactamente lo que necesites, con precio y plazo de entrega y te lo enviamos a cualquier parte del mundo.