EL MAYOR CATÁLOGO DE PRODUCTOS INDUSTRIALES DEL MERCADO

Solicitud de Presupuesto

No hay productos añadidos a la solicitud de presupuesto

Catálogo

Imagen 1 de 7007 CE/HCP4ADGB
Imagen 2 de 7007 CE/HCP4ADGB
Imagen 3 de 7007 CE/HCP4ADGB
Imagen 4 de 7007 CE/HCP4ADGB
Imagen 5 de 7007 CE/HCP4ADGB
Imagen 1 de 7007 CE/HCP4ADGB-filter
Imagen 2 de 7007 CE/HCP4ADGB-filter
Imagen 3 de 7007 CE/HCP4ADGB-filter
Imagen 4 de 7007 CE/HCP4ADGB-filter
Imagen 5 de 7007 CE/HCP4ADGB-filter

7007 CE/HCP4ADGB

Consultar precio

Juego combinado de dos rodamientos de una hilera de bolas de contacto angular, de superprecisión, alta velocidad y diseño E

MPN: 7007 CE/HCP4ADGB Marca: SKF Categoría: Productos Industriales SKF Subcategoría: Componentes Industriales SKF Familia: Producto Genérico SKF Subfamilia: Componente Genérico SKF
Estos juegos combinados de dos rodamientos de una hilera de bolas de contacto angular, de superprecisión, alta velocidad y diseño E están disponibles en una gran variedad de disposiciones. En comparación con los rodamientos de alta velocidad equivalentes de diseño B de SKF, estos tienen una capacidad de velocidad ligeramente superior y pueden admitir cargas más pesadas.
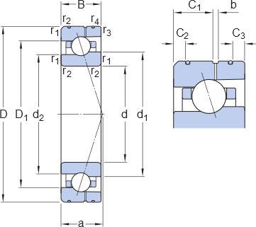
Ancho 28 mm
Cantidad de hileras 2.0
Capacidad de carga dinámica básica 18.6 kN
Capacidad de carga estática básica 13.2 kN
Carga límite de fatiga 0.405 kN
Código UNSPSC 31171531.0
Código eClass 23-05-08-03
Diseño Alta velocidad E
Disposición ajustada Adaptación universal
Diámetro del agujero 35 mm
Diámetro del resalte del eje min. min.39.6 mm
Diámetro del resalte del soporte max. max.57.4 mm
Diámetro exterior 62 mm
Indicative carbon footprint for new product 0.95 kg CO2e
Lubricante Ninguna
Material, rodamiento Híbrido
Peso neto del producto 0.265 kg
Radio de acuerdo max. max.1 mm
Recubrimiento Sin
Rodamiento para emparejamiento universal Sí, espalda con espalda (<>), cara a cara (><) o en tándem (>>)
Sellado Sin
Tipo de aro Aros interior y exterior de una pieza
Tipo de contacto Contacto normal (dos puntos de contacto)
Ángulo de contacto 15 °
Cantidad de bolas (por rodamiento) 17.0
Cantidad de grasa de referencia (por rodamiento) 2.4 cm³
Cantidad de rodamientos en un juego combinado 2.0
Clase de precarga B
Clase de tolerancia P4A
Condición ajustada (juego axial/precarga) Precarga ligera
Dimensión del chaflán min. min.1 mm
Diámetro de bola 7.144 mm
Diámetro del resalte del aro exterior (cara lateral grande) 52.25 mm
Diámetro del resalte del aro interior (cara lateral grande) 43.7 mm
Diámetro del resalte del aro interior (cara lateral pequeña) 41.6 mm
Factor de corrección dependiente de la serie y el tamaño del rodamiento 1.1
Factor de corrección dependiente del ángulo de contacto 1.0
Factor de corrección para rodamientos híbridos 1.0
Factor de corrección, precarga clase B 1.0
Factor de cálculo para cargas equivalentes 7.9
Factores adicionales para cargas equivalentes Consulte las Notas 1 y 2 a continuación
Nota Contacte a SKF para consultar las velocidades alcanzables
Posición de la boquilla de aceite 45.6 mm
Precarga 180 N
Rigidez axial 54 N/µm
Rodamiento(s) para emparejamiento universal Sí, espalda con espalda (<>), cara a cara (><) o en tándem (>>)
Velocidad alcanzable para lubricación con grasa To be calculated: Single bearing (40000) x speed reduction factor (see table below)
Velocidad alcanzable para lubricación por aceite y aire To be calculated: Single bearing (63000) x speed reduction factor (see table below)
Nuestro equipo de expertos te ayuda en tu búsqueda

Te ayudamos a localizar exactamente lo que necesites, con precio y plazo de entrega y te lo enviamos a cualquier parte del mundo.