EL MAYOR CATÁLOGO DE PRODUCTOS INDUSTRIALES DEL MERCADO

Solicitud de Presupuesto

No hay productos añadidos a la solicitud de presupuesto

Catálogo

Imagen 1 de 7034 CD/P4ADBA
Imagen 2 de 7034 CD/P4ADBA
Imagen 3 de 7034 CD/P4ADBA
Imagen 4 de 7034 CD/P4ADBA
Imagen 5 de 7034 CD/P4ADBA
Imagen 1 de 7034 CD/P4ADBA-filter
Imagen 2 de 7034 CD/P4ADBA-filter
Imagen 3 de 7034 CD/P4ADBA-filter
Imagen 4 de 7034 CD/P4ADBA-filter
Imagen 5 de 7034 CD/P4ADBA-filter

7034 CD/P4ADBA

Consultar precio

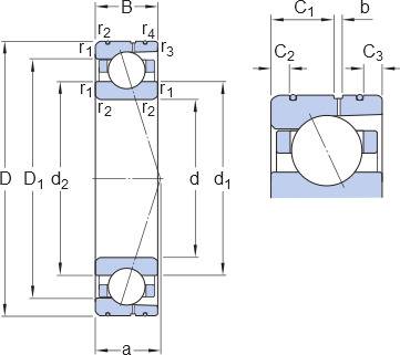
Juego combinado de dos rodamientos de una hilera de bolas de contacto angular, de superprecisión, alta capacidad y diseño D

MPN: 7034 CD/P4ADBA Marca: SKF Categoría: Productos Industriales SKF Subcategoría: Componentes Industriales SKF Familia: Producto Genérico SKF Subfamilia: Componente Genérico SKF
Estos juegos combinados de dos rodamientos de una hilera de bolas de contacto angular, de superprecisión, alta capacidad y diseño D están disponibles en una gran variedad de disposiciones. Están diseñados para capacidad de alta carga y funcionamiento a velocidad relativamente alta y, en comparación con los rodamientos de alta velocidad equivalentes de diseño B y E de SKF, se adaptan mejor a cargas más pesadas.
Ancho 84 mm
Cantidad de hileras 2.0
Capacidad de carga dinámica básica 345 kN
Capacidad de carga estática básica 490 kN
Carga límite de fatiga 14.3 kN
Código UNSPSC 31171531.0
Código eClass 23-05-08-04
Diseño Alta capacidad D
Disposición ajustada Espalda con espalda <>
Diámetro del agujero 170 mm
Diámetro del resalte del eje min. min.181 mm
Diámetro del resalte del soporte max. max.254 mm
Diámetro exterior 260 mm
Indicative carbon footprint for new product 49.4 kg CO2e
Lubricante Ninguna
Material, rodamiento Acero para rodamientos
Peso neto del producto 13.7 kg
Radio de acuerdo max. max.2 mm
Recubrimiento Sin
Rodamiento para emparejamiento universal No
Sellado Sin
Tipo de aro Aros interior y exterior de una pieza
Tipo de contacto Contacto normal (dos puntos de contacto)
Ángulo de contacto 15 °
Cantidad de bolas (por rodamiento) 22.0
Cantidad de grasa de referencia (por rodamiento) 84 cm³
Cantidad de rodamientos en un juego combinado 2.0
Clase de precarga A
Clase de tolerancia P4A
Condición ajustada (juego axial/precarga) Precarga extraligera
Dimensión del chaflán min. min.2.1 mm
Diámetro de bola 26.988 mm
Diámetro del resalte del aro interior (cara lateral grande) 198.7 mm
Factor de corrección dependiente de la serie y el tamaño del rodamiento 1.1
Factor de corrección dependiente del ángulo de contacto 1.0
Factor de corrección para rodamientos híbridos 1.0
Factor de corrección, precarga clase A 1.0
Factor de cálculo para cargas equivalentes 15.9
Factores adicionales para cargas equivalentes Consulte las Notas 1 y 2 a continuación
Nota Contacte a SKF para consultar las velocidades alcanzables
Posición de la boquilla de aceite 205.8 mm
Precarga 800 N
Rigidez axial 179 N/µm
Rodamiento(s) para emparejamiento universal No
Velocidad alcanzable para lubricación con grasa To be calculated: Single bearing (5300) x speed reduction factor (see table below)
Velocidad alcanzable para lubricación por aceite y aire To be calculated: Single bearing (8000) x speed reduction factor (see table below)
Nuestro equipo de expertos te ayuda en tu búsqueda

Te ayudamos a localizar exactamente lo que necesites, con precio y plazo de entrega y te lo enviamos a cualquier parte del mundo.