EL MAYOR CATÁLOGO DE PRODUCTOS INDUSTRIALES DEL MERCADO

Solicitud de Presupuesto

No hay productos añadidos a la solicitud de presupuesto

Catálogo

Imagen 1 de 7218 CD/P4ADGB
Imagen 2 de 7218 CD/P4ADGB
Imagen 3 de 7218 CD/P4ADGB
Imagen 4 de 7218 CD/P4ADGB
Imagen 5 de 7218 CD/P4ADGB
Imagen 1 de 7218 CD/P4ADGB-filter
Imagen 2 de 7218 CD/P4ADGB-filter
Imagen 3 de 7218 CD/P4ADGB-filter
Imagen 4 de 7218 CD/P4ADGB-filter
Imagen 5 de 7218 CD/P4ADGB-filter

7218 CD/P4ADGB

Consultar precio

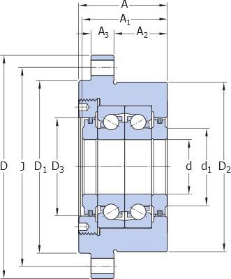
Juego combinado de dos rodamientos de una hilera de bolas de contacto angular, de superprecisión, alta capacidad y diseño D

MPN: 7218 CD/P4ADGB Marca: SKF Categoría: Productos Industriales SKF Subcategoría: Componentes Industriales SKF Familia: Producto Genérico SKF Subfamilia: Componente Genérico SKF
Estos juegos combinados de dos rodamientos de una hilera de bolas de contacto angular, de superprecisión, alta capacidad y diseño D están disponibles en una gran variedad de disposiciones. Están diseñados para capacidad de alta carga y funcionamiento a velocidad relativamente alta y, en comparación con los rodamientos de alta velocidad equivalentes de diseño B y E de SKF, se adaptan mejor a cargas más pesadas.
Ancho 60 mm
Cantidad de hileras 2.0
Capacidad de carga dinámica básica 208 kN
Capacidad de carga estática básica 224 kN
Carga límite de fatiga 8.5 kN
Código UNSPSC 31171531.0
Código eClass 23-05-08-04
Diseño Alta capacidad D
Disposición ajustada Adaptación universal
Diámetro del agujero 90 mm
Diámetro del resalte del eje min. min.101 mm
Diámetro del resalte del soporte max. max.149 mm
Diámetro exterior 160 mm
Indicative carbon footprint for new product 15.9 kg CO2e
Lubricante Ninguna
Material, rodamiento Acero para rodamientos
Peso neto del producto 4.43 kg
Radio de acuerdo max. max.2 mm
Recubrimiento Sin
Rodamiento para emparejamiento universal Sí, espalda con espalda (<>), cara a cara (><) o en tándem (>>)
Sellado Sin
Tipo de aro Aros interior y exterior de una pieza
Tipo de contacto Contacto normal (dos puntos de contacto)
Ángulo de contacto 15 °
Cantidad de bolas (por rodamiento) 16.0
Cantidad de grasa de referencia (por rodamiento) 27.8 cm³
Cantidad de rodamientos en un juego combinado 2.0
Clase de precarga B
Clase de tolerancia P4A
Condición ajustada (juego axial/precarga) Precarga ligera
Dimensión del chaflán min. min.2 mm
Diámetro de bola 22.225 mm
Diámetro del resalte del aro exterior (cara lateral grande) 138.4 mm
Diámetro del resalte del aro interior (cara lateral grande) 111.6 mm
Diámetro del resalte del aro interior (cara lateral pequeña) 111.6 mm
Factor de corrección dependiente de la serie y el tamaño del rodamiento 1.1
Factor de corrección dependiente del ángulo de contacto 1.0
Factor de corrección para rodamientos híbridos 1.0
Factor de corrección, precarga clase B 1.0
Factor de cálculo para cargas equivalentes 14.6
Factores adicionales para cargas equivalentes Consulte las Notas 1 y 2 a continuación
Nota Contacte a SKF para consultar las velocidades alcanzables
Posición de la boquilla de aceite 117.5 mm
Precarga 960 N
Rigidez axial 154 N/µm
Rodamiento(s) para emparejamiento universal Sí, espalda con espalda (<>), cara a cara (><) o en tándem (>>)
Velocidad alcanzable para lubricación con grasa To be calculated: Single bearing (8500) x speed reduction factor (see table below)
Velocidad alcanzable para lubricación por aceite y aire To be calculated: Single bearing (14000) x speed reduction factor (see table below)
Nuestro equipo de expertos te ayuda en tu búsqueda

Te ayudamos a localizar exactamente lo que necesites, con precio y plazo de entrega y te lo enviamos a cualquier parte del mundo.