EL MAYOR CATÁLOGO DE PRODUCTOS INDUSTRIALES DEL MERCADO

Solicitud de Presupuesto

No hay productos añadidos a la solicitud de presupuesto

Catálogo

Imagen 1 de F2B 115-RM
Imagen 2 de F2B 115-RM
Imagen 3 de F2B 115-RM
Imagen 4 de F2B 115-RM
Imagen 1 de F2B 115-RM-filter
Imagen 2 de F2B 115-RM-filter
Imagen 3 de F2B 115-RM-filter
Imagen 4 de F2B 115-RM-filter

F2B 115-RM

Consultar precio

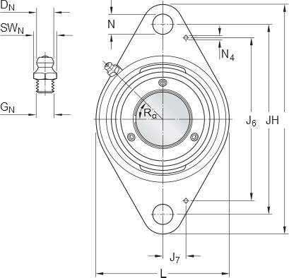
Unidad de rodamientos de bolas con pestaña ovalada con soporte de fundición, aro interior estrecho y fijación con tornillo, normas norteamericanas

MPN: F2B 115-RM Marca: SKF Categoría: Soportes y rodamientos montados Subcategoría: Unidades de rodamientos de bolas Familia: Unidades de rodamientos de bolas con pestaña Subfamilia: Componente Genérico SKF
Estas unidades de rodamientos de bolas con pestaña ovalada constan de un rodamiento de inserción montado en un soporte de fundición de hierro que puede atornillarse a la pared o al marco de la máquina. Las unidades tienen fijación con tornillo, lo que las hace adecuadas para aplicaciones en las que el sentido de giro es constante o alternado, y pueden relubricarse a través de una boquilla engrasadora en el soporte. Estas unidades son especialmente adecuadas para disposiciones de rodamientos que operan en condiciones difíciles con cargas relativamente pesadas.
Ancho total 57.6 mm
Boquilla engrasadora Con
Cantidad de agujeros para tornillos de fijación 2.0
Capacidad de carga dinámica básica 35.1 kN
Capacidad de carga estática básica 23.2 kN
Carga límite de fatiga 0.98 kN
Código UNSPSC 31171536.0
Código eClass 23-05-16-01
Distancia del centro entre los agujeros para tornillos 157.2 mm
Diámetro de los tornillos de fijación 12.7 mm
Diámetro del agujero 49.213 mm
DIÁMETRO DEL EJE 49.213 mm
Lubricante Grasa
Material, rodamiento Acero para rodamientos
Material, soporte Fundición
Orificio de relubricación Con
Peso neto del producto 2.15 kg
Recubrimiento Sin
Tipo de agujero para tornillos de fijación Plano
Tipo de sellado Contacto estándar
Tipo de soporte Con pestaña
Velocidad límite 4 000 r/min
Ancho del aro interior 38.8 mm
Nota Velocidad límite con tolerancia de eje h6
Tipo de agujero Cilíndrico
Altura total 189 mm
Longitud total 115.9 mm
Aro de asiento de caucho Sin
Elemento de retención, aro interior Tornillos de fijación
Ancho del rodamiento, total 38.8 mm
Ancho total del soporte 46.8 mm
Diámetro del agujero del tornillo de fijación 14.3 mm
Sellado, unidad Tapa lateral opcional
Par de apriete recomendado para el tornillo de fijación 16.5 N·m
Ancho de la pestaña 14.3 mm
Ancho total del rodamiento 38.8 mm
Cumplimiento con el estándar Norma estadounidense
Distancia de la cara lateral del dispositivo de fijación al centro del camino de rodadura 27.6 mm
Tamaño de llave hexagonal para tornillo de fijación 4.763 mm
Tornillo de fijación 3/8-24 UNF
Ancho del soporte 46.8 mm
Tipo de soporte con pestaña Ovalada
Ancho, incluida la tapa lateral 33 mm
Diámetro de la cabeza esférica de la boquilla engrasadora 6.579 mm
Diámetro exterior del aro interior ≈ ≈62.51 mm
Diámetro recomendado para los tornillos de fijación, mm 12 mm
Diámetro recomendado para los tornillos de fijación, pulgadas 0.5 in
Diámetro superior externo 115.9 mm
Para un propósito específico Para aplicaciones de manipulación de materiales
Posición angular de la rosca del soporte 45 °
Posición axial de la rosca del soporte 32.8 mm
Rosca de la boquilla engrasadora 1/8-27 NPT
Rosca del soporte para boquilla engrasadora 1/8-27 NPT
Sellado, rodamiento Rozante en ambos lados
Tamaño de la llave hexagonal para la boquilla engrasadora 11.113 mm
Tipo de sellado, rodamiento Contacto estándar
Distancia de la cara lateral del dispositivo de fijación al centro de la rosca 8 mm
Nuestro equipo de expertos te ayuda en tu búsqueda

Te ayudamos a localizar exactamente lo que necesites, con precio y plazo de entrega y te lo enviamos a cualquier parte del mundo.