EL MAYOR CATÁLOGO DE PRODUCTOS INDUSTRIALES DEL MERCADO

Solicitud de Presupuesto

No hay productos añadidos a la solicitud de presupuesto

Catálogo

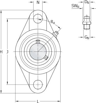
Imagen 1 de FY 60 FM
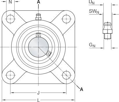
Imagen 2 de FY 60 FM
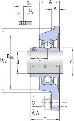
Imagen 3 de FY 60 FM
Imagen 4 de FY 60 FM
Imagen 1 de FY 60 FM-filter
Imagen 2 de FY 60 FM-filter
Imagen 3 de FY 60 FM-filter
Imagen 4 de FY 60 FM-filter

FY 60 FM

Consultar precio

Unidad de rodamientos de bolas con pestaña cuadrada con fijación excéntrica, soporte de fundición, ISO

MPN: FY 60 FM Marca: SKF Categoría: Soportes y rodamientos montados Subcategoría: Unidades de rodamientos de bolas Familia: Unidades de rodamientos de bolas con pestaña Subfamilia: Componente Genérico SKF
Estas unidades de rodamientos de bolas con pestaña cuadrada cumplen con las normas ISO. Están formadas por un rodamiento de inserción, con un aro interior estrecho y fijación excéntrica, y están pensadas principalmente para usarse en aplicaciones en las que el sentido de giro es constante. El rodamiento está montado en un soporte de fundición, que puede atornillarse a la pared o al marco de la máquina. Las unidades de rodamientos de bolas pueden admitir una desalineación inicial moderada, pero normalmente no permiten el desplazamiento axial.
Ancho total 73.6 mm
Boquilla engrasadora Con
Cantidad de agujeros para tornillos de fijación 4.0
Capacidad de carga dinámica básica 52.7 kN
Capacidad de carga estática básica 36 kN
Carga límite de fatiga 1.53 kN
Código UNSPSC 31171536.0
Código eClass 23-05-08-02
Distancia del centro entre los agujeros para tornillos 143 mm
Diámetro de los tornillos de fijación 16 mm
Diámetro del agujero 60 mm
DIÁMETRO DEL EJE 60 mm
Lubricante Grasa
Material, rodamiento Acero para rodamientos
Material, soporte Fundición
Orificio de relubricación Con
Peso neto del producto 3.87 kg
Recubrimiento Sin
Tipo de agujero para tornillos de fijación Plano
Tipo de sellado Contacto estándar
Tipo de soporte Con pestaña
Velocidad límite 3 400 r/min
Ancho del aro interior 36.7 mm
Nota Velocidad límite con tolerancia de eje h6
Tipo de agujero Cilíndrico
Longitud total 175 mm
Aro de asiento de caucho Sin
Elemento de retención, aro interior Anillo excéntrico
Ancho del rodamiento, total 52.6 mm
Ancho total del soporte 52 mm
Desplazamiento axial de las fijas de situación 49.5 mm
Distancia de las fijas de situación 161 mm
Diámetro del agujero del tornillo de fijación 18 mm
Sellado, unidad Tapa lateral opcional
Par de apriete recomendado para el tornillo de fijación 16.5 N·m
Ancho de la pestaña 17 mm
Ancho total del rodamiento 52.6 mm
Cumplimiento con el estándar ISO
Distancia de la cara lateral del dispositivo de fijación al centro del camino de rodadura 39.6 mm
Diámetro exterior del anillo de fijación 82 mm
Tamaño de llave hexagonal para tornillo de fijación 5 mm
Tornillo de fijación M10x1
Ancho del soporte 52 mm
Tipo de soporte con pestaña Cuadrada
Diámetro de la cabeza esférica de la boquilla engrasadora 6.5 mm
Diámetro del rebaje de centrado del soporte 161.9 mm
Diámetro exterior del aro interior ≈ ≈75.64 mm
Diámetro externo de la base 143 mm
Diámetro recomendado para las fijas de situación 4 mm
Diámetro recomendado para los tornillos de fijación, mm 16 mm
Diámetro recomendado para los tornillos de fijación, pulgadas 0.625 in
Diámetro superior externo 130 mm
Para un propósito específico Para aplicaciones de manipulación de materiales
Parte que sobresale de la tapa lateral 39 mm
Posición axial de la rosca del soporte 34.5 mm
Profundidad del rebaje de centrado 3.2 mm
Rosca de la boquilla engrasadora 1/4-28 SAE-LT
Rosca del soporte para boquilla engrasadora 1/4-28 UNF
Sellado, rodamiento Rozante en ambos lados
Tamaño de la llave hexagonal para la boquilla engrasadora 7 mm
Tipo de sellado, rodamiento Contacto estándar
Distancia de la cara lateral del dispositivo de fijación al centro de la rosca 7.95 mm
Nuestro equipo de expertos te ayuda en tu búsqueda

Te ayudamos a localizar exactamente lo que necesites, con precio y plazo de entrega y te lo enviamos a cualquier parte del mundo.