EL MAYOR CATÁLOGO DE PRODUCTOS INDUSTRIALES DEL MERCADO

Solicitud de Presupuesto

No hay productos añadidos a la solicitud de presupuesto

Catálogo

Imagen 1 de GYE60-XL-KRR-B
Imagen 2 de GYE60-XL-KRR-B
Imagen 3 de GYE60-XL-KRR-B
Imagen 1 de GYE60-XL-KRR-B-filter
Imagen 2 de GYE60-XL-KRR-B-filter
Imagen 3 de GYE60-XL-KRR-B-filter

GYE60-XL-KRR-B

Consultar precio

Rodamiento insertable

MPN: GYE60-XL-KRR-B Marca: Ina Categoría: Rodamientos, casquillos de fricción Subcategoría: Rodamientos a bolas Familia: Rodamientos insertables y poleas tensoras de correa Subfamilia: Rodamientos insertables
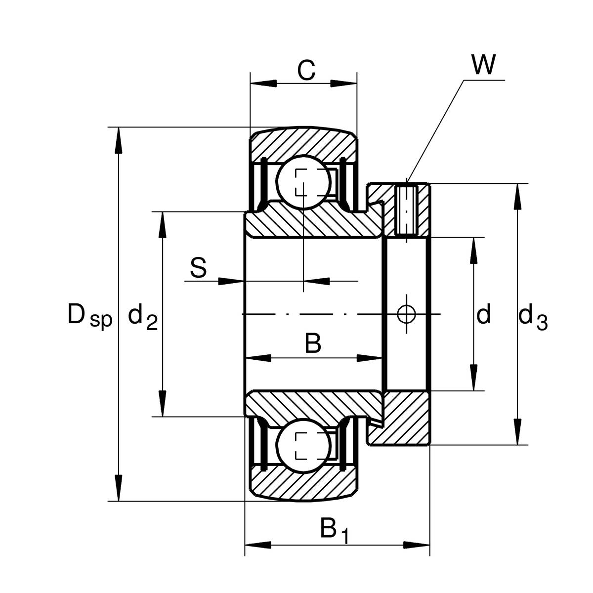
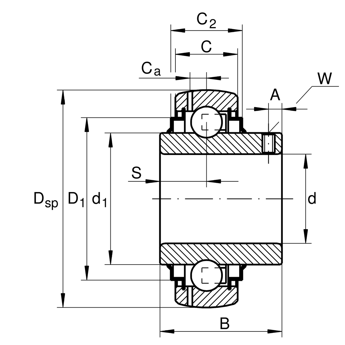
Rodamientos insertables GYE..-KRR-B, anillo exterior esférico, fijación mediante tornillos prisioneros, obturaciones R en ambos lados
≈m 1,389 kg
B 65,1 mm
C0r 36.000 N
Cr 56.000 N
Cur 1.870 N
D 60 mm
d1 76,5 mm
f0 14,3
A 10,1 mm
C 24 mm
C2 29 mm
ca 7,2 mm
DSP 110 mm
S 25,4 mm
w 5 mm
Nuestro equipo de expertos te ayuda en tu búsqueda

Te ayudamos a localizar exactamente lo que necesites, con precio y plazo de entrega y te lo enviamos a cualquier parte del mundo.