EL MAYOR CATÁLOGO DE PRODUCTOS INDUSTRIALES DEL MERCADO

Solicitud de Presupuesto

No hay productos añadidos a la solicitud de presupuesto

Catálogo

Imagen 1 de HCS7009-E-T-P4S-UL
Imagen 2 de HCS7009-E-T-P4S-UL
Imagen 3 de HCS7009-E-T-P4S-UL
Imagen 4 de HCS7009-E-T-P4S-UL
Imagen 5 de HCS7009-E-T-P4S-UL
Imagen 1 de HCS7009-E-T-P4S-UL-filter
Imagen 2 de HCS7009-E-T-P4S-UL-filter
Imagen 3 de HCS7009-E-T-P4S-UL-filter
Imagen 4 de HCS7009-E-T-P4S-UL-filter
Imagen 5 de HCS7009-E-T-P4S-UL-filter

HCS7009-E-T-P4S-UL

Consultar precio

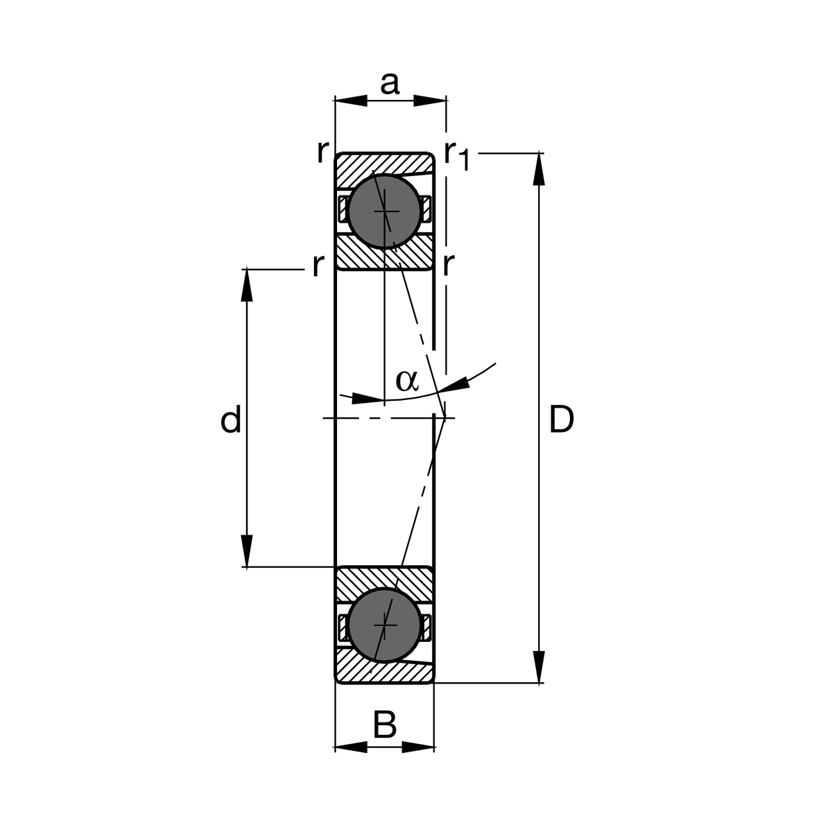
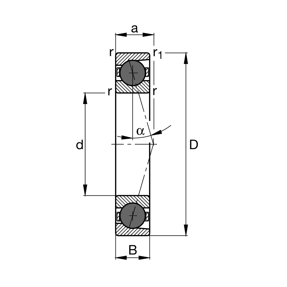
Rodamiento a bolas de contacto angular

MPN: HCS7009-E-T-P4S-UL Marca: Fag Categoría: Rodamientos, casquillos de fricción Subcategoría: Rodamientos de superprecisión Familia: Rodamientos radiales de alta precisión Subfamilia: Rodamientos para cabezales
High speed spindle bearing HCS70..-E, adjusted, in pairs or sets, contact angle α = 25°, with ceramic balls, lip seals on both sides, non-contact, restricted tolerances
α 25 °
≈m 0,247 kg
frecuencias_basicas https://bearinx.schaeffler.com/catalogue/api/v1/CatalogBearing/product/basicfrequencies/pdf/eb08fda8cce54edb99a9fe7989e1a761/Es_es/comma
B 16 mm
C0r 6.800 N
Cr 11.600 N
Cur 550 N
Tmax 80 ーC
tmin -30 ーC
D 45 mm
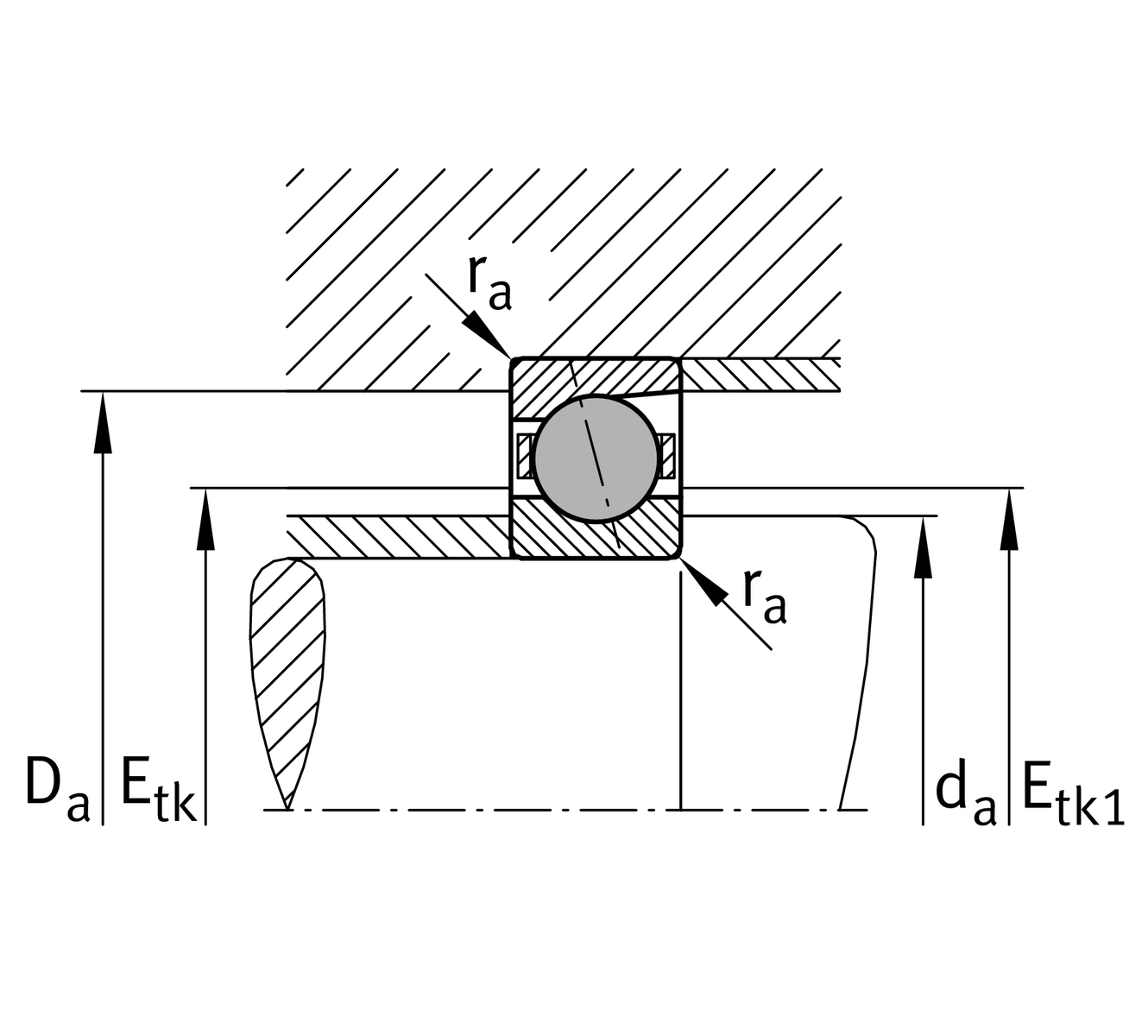
ra max 1 mm
Rmin 1 mm
A 22 mm
da h12
r1 min 1 mm
ra1 max 0,3 mm
nG Grease 30.000 1/min
FV H 286 N
FV L 48 N
FV M 143 N
KaE H 848 N
KaE L 137 N
KaE M 417 N
ca H 161 N/オm
ca L 84 N/オm
ca M 125 N/オm
Nuestro equipo de expertos te ayuda en tu búsqueda

Te ayudamos a localizar exactamente lo que necesites, con precio y plazo de entrega y te lo enviamos a cualquier parte del mundo.