EL MAYOR CATÁLOGO DE PRODUCTOS INDUSTRIALES DEL MERCADO

Solicitud de Presupuesto

No hay productos añadidos a la solicitud de presupuesto

Catálogo

Imagen 1 de NN 3015 KTN/SPW33
Imagen 2 de NN 3015 KTN/SPW33
Imagen 3 de NN 3015 KTN/SPW33
Imagen 4 de NN 3015 KTN/SPW33
Imagen 1 de NN 3015 KTN/SPW33-filter
Imagen 2 de NN 3015 KTN/SPW33-filter
Imagen 3 de NN 3015 KTN/SPW33-filter
Imagen 4 de NN 3015 KTN/SPW33-filter

NN 3015 KTN/SPW33

Consultar precio

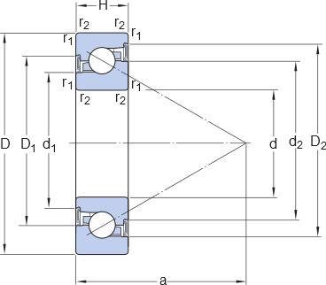
Rodamiento de dos hileras de rodillos cilíndricos de superprecisión con agujero cónico y función de lubricación

MPN: NN 3015 KTN/SPW33 Marca: SKF Categoría: Productos Industriales SKF Subcategoría: Componentes Industriales SKF Familia: Producto Genérico SKF Subfamilia: Componente Genérico SKF
Los rodamientos de dos hileras de rodillos cilíndricos de superprecisión de la serie NN 30 proporcionan un equilibrio único entre capacidad de carga, rigidez y velocidad. Al tener tres pestañas en el aro interior y no tener pestañas en el aro exterior, los rodamientos pueden admitir desplazamientos axiales en ambos sentidos. El diseño desmontable simplifica el montaje y desmontaje, especialmente cuando las condiciones de carga requieren que ambos aros tengan un ajuste de interferencia. El agujero cónico permite ajustar con precisión el juego o la precarga durante el montaje.
Ancho 30 mm
Cantidad de hileras 2.0
Capacidad de carga dinámica básica 96.8 kN
Capacidad de carga estática básica 150 kN
Característica de relubricación Ranura anular y agujeros de lubricación
Carga límite de fatiga 17.6 kN
Código UNSPSC 31171505.0
Código eClass 23-05-09-01
Diseño NN
Diámetro del agujero 75 mm
Diámetro del resalte del eje min. min.81.5 mm
Diámetro del resalte del soporte min. min.106 mm
Diámetro exterior 115 mm
Indicative carbon footprint for new product 3.8 kg CO2e
Jaula No metálico
Lubricante Ninguna
Material, rodamiento Acero para rodamientos
Peso neto del producto 1.05 kg
Radio de acuerdo max. max.1 mm
Recubrimiento Sin
Sellado Sin
Ancho de la ranura anular de lubricación en el aro exterior 5.5 mm
Cantidad de pestañas del aro exterior 0.0
Cantidad de pestañas del aro interior 3.0
Clase de tolerancia Clase SP (SP)
Dimensión del chaflán del aro exterior min. min.1.1 mm
Diámetro del agujero de lubricación (aro exterior) 3 mm
Juego radial interno C1
Pestaña suelta Ninguna
Pieza del rodamiento Rodamiento completo
Tipo de agujero Cónicos 1:12
Velocidad alcanzable para lubricación con grasa 7 500 r/min
Velocidad alcanzable para lubricación por aceite y aire 8 500 r/min
Cantidad de grasa de referencia 6.3 cm³
Desplazamiento axial admisible de un aro del rodamiento con respecto al otro desde la posición normal (todo) max. max.2 mm
Posición de la boquilla de aceite (excepto para versiones con jaula TNHA) 103.4 mm
Rigidez estática radial (valor orientativo) 1 610 N/µm
Dimensión del chaflán del aro interior (rodamiento con agujero cónico) min. min.0.6 mm
Diámetro del camino de rodadura del aro exterior (diseño NN) 105 mm
Diámetro del resalte del aro interior (diseño NN) 90.6 mm
Nuestro equipo de expertos te ayuda en tu búsqueda

Te ayudamos a localizar exactamente lo que necesites, con precio y plazo de entrega y te lo enviamos a cualquier parte del mundo.