Unidad de rodamientos de bolas con pestaña con soporte de material compuesto o de fundición de metal
MPN: PER.HCFTS208-XD-A
Marca: SKF
Categoría: Soportes y rodamientos montados
Subcategoría: Unidades de rodamientos de bolas
Familia: Unidades de rodamientos de bolas con pestaña
Subfamilia: Componente Genérico SKF
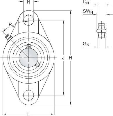
Unidades de rodamientos de bolas con pestaña con un rodamiento de inserción montado en un soporte de material compuesto o de fundición de metal que puede atornillarse a la pared o al marco de la máquina. Además de formar parte de una unidad, algunos soportes con pestaña para rodamientos de inserción están disponibles como componentes separados. La gama de SKF incluye unidades de rodamientos de bolas que cumplen con varias normas industriales, y que satisfacen muchos requisitos en cuanto a patrones de pernos y mecanismos de fijación en el eje.
Cantidad de agujeros para tornillos de fijación2.0
Las cookies nos ayudan a ofrecerte una mejor experiencia. A continuación puedes gestionar tus preferencias sobre los diferentes tipos de cookies que utilizamos.
Cookies esenciales
Estas cookies son necesarias para el funcionamiento básico del sitio web y no se pueden desactivar. Incluyen cookies de sesión y seguridad.
Cookies de análisis
Estas cookies nos permiten contar las visitas y fuentes de tráfico para mejorar el rendimiento de nuestro sitio. Nos ayudan a saber qué páginas son las más y menos populares.
Cookies de marketing
Estas cookies pueden ser establecidas por nuestros socios publicitarios. Pueden ser utilizadas para crear un perfil de sus intereses y mostrarle anuncios relevantes en otros sitios.