EL MAYOR CATÁLOGO DE PRODUCTOS INDUSTRIALES DEL MERCADO

Solicitud de Presupuesto

No hay productos añadidos a la solicitud de presupuesto

Catálogo

Imagen 1 de UCF 207
Imagen 2 de UCF 207
Imagen 3 de UCF 207
Imagen 4 de UCF 207
Imagen 1 de UCF 207-filter
Imagen 2 de UCF 207-filter
Imagen 3 de UCF 207-filter
Imagen 4 de UCF 207-filter

UCF 207

Consultar precio

Unidad de rodamientos de bolas con pestaña cuadrada con fijación con tornillos, soporte de fundición, JIS

MPN: UCF 207 Marca: SKF Categoría: Soportes y rodamientos montados Subcategoría: Unidades de rodamientos de bolas Familia: Unidades de rodamientos de bolas con pestaña Subfamilia: Componente Genérico SKF
Estas unidades de rodamientos de bolas con pestaña cuadrada cumplen con las normas industriales japonesas (JIS). Están formadas por un rodamiento de inserción, con un aro interior prolongado y fijación con tornillo, y son adecuadas para aplicaciones en las que el sentido de giro es constante o alternado. El rodamiento está montado en un soporte de fundición, que puede atornillarse a la pared o al marco de la máquina. Las unidades de rodamientos de bolas pueden admitir una desalineación inicial moderada, pero normalmente no permiten el desplazamiento axial.
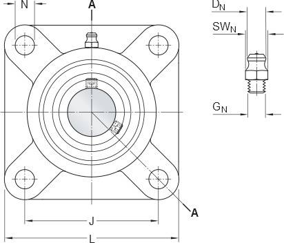
Ancho total 44.4 mm
Boquilla engrasadora Con
Cantidad de agujeros para tornillos de fijación 4.0
Capacidad de carga dinámica básica 25.5 kN
Capacidad de carga estática básica 15.3 kN
Carga límite de fatiga 0.655 kN
Código UNSPSC 31171536.0
Código eClass 23-05-16-02
Distancia del centro entre los agujeros para tornillos 92 mm
Diámetro de los tornillos de fijación 12 mm
Diámetro del agujero 35 mm
DIÁMETRO DEL EJE 35 mm
Lubricante Grasa
Material, rodamiento Acero para rodamientos
Material, soporte Fundición
Orificio de relubricación Con
Peso neto del producto 1.34 kg
Recubrimiento Sin
Tipo de agujero para tornillos de fijación Plano
Tipo de sellado Contacto estándar
Tipo de soporte Con pestaña
Velocidad límite 4 300 r/min
Ancho del aro interior 42.9 mm
Nota Velocidad límite con tolerancia de eje h6
Tipo de agujero Cilíndrico
Longitud total 118 mm
Aro de asiento de caucho Sin
Elemento de retención, aro interior Tornillos de fijación
Ancho del rodamiento, total 42.9 mm
Ancho total del soporte 32 mm
Diámetro del agujero del tornillo de fijación 14 mm
Sellado, unidad Tapa lateral opcional
Par de apriete recomendado para el tornillo de fijación 6.5 N·m
Ancho de la pestaña 15 mm
Cumplimiento con el estándar JIS
Distancia de la cara lateral del dispositivo de fijación al centro del camino de rodadura 25.4 mm
Tamaño de llave hexagonal para tornillo de fijación 4.06 mm
Tornillo de fijación M8x1
Ancho del soporte 32 mm
Tipo de soporte con pestaña Cuadrada
Diámetro de la cabeza esférica de la boquilla engrasadora 6.6 mm
Diámetro exterior del aro interior ≈ ≈46.8 mm
Diámetro recomendado para los tornillos de fijación, mm 12 mm
Diámetro recomendado para los tornillos de fijación, pulgadas 0.5 in
Diámetro superior externo 90 mm
Para un propósito específico Para aplicaciones de manipulación de materiales
Parte que sobresale de la tapa lateral 24.5 mm
Posición axial de la rosca del soporte 22.5 mm
Rosca de la boquilla engrasadora 1/4-28 UNF
Rosca del soporte para boquilla engrasadora 1/4-28 UNF
Sellado, rodamiento Sello y aro deflector en ambos lados
Tamaño de la llave hexagonal para la boquilla engrasadora 7.94 mm
Tipo de sellado, rodamiento Contacto estándar
Distancia de la cara lateral del dispositivo de fijación al centro de la rosca 6.5 mm
Nuestro equipo de expertos te ayuda en tu búsqueda

Te ayudamos a localizar exactamente lo que necesites, con precio y plazo de entrega y te lo enviamos a cualquier parte del mundo.